ATX
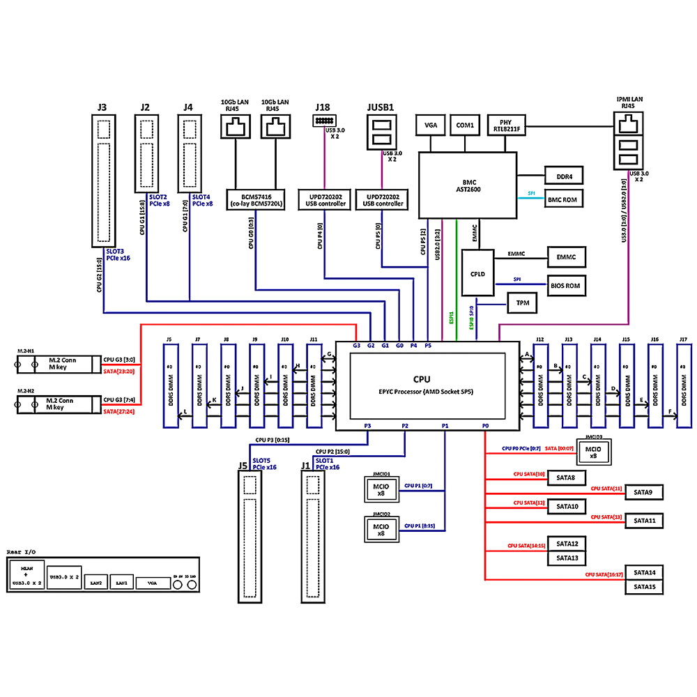
- AMD EPYC™ 9004 series Processors
- System on Chip
- Up to 3TB 3DS ECC RDIMM, DDR5-4800MHz in 12 DIMM slots
- 3 PCIe 5.0 x16 2 PCIe 5.0 x8
- Up to 6 USB 3.0 ports(4 rear + 2 via header)
- 8 SATA3
- 6 PWM 4-pin Fans with tachometer status monitoring
- M.2 Interface: 2 PCIe 4.0 x4
M.2 Form Factor: 2280, 22110
Specification
System
CPU
AMD EPYC™ 9004 series Processors
Single Socket SP5 supported, CPU TDP supports Up to 400W TDP
Chipset
System on Chip
System Memory
12 DIMM slots
Up to 3TB 3DS ECC Registered RDIMM, DDR5-4800MHz
BIOS
AMI 32MB SPI Flash EEPROM
Graphic
ASPEED AST2600 BMC chip
Expansion Slot
3 PCIe 5.0 x16 (in x16 slot),
2 PCIe 5.0 x8
–
M.2 Interface: 2 SATA/PCIe 4.0 x4
Form Factor: 2280/22110
Key: M-Key
Form Factor
ATX
Dimension
12″ x 10.1″ (30.48cm x 25.65cm)
I/O Interface
Display
1 VGA port(s)
Storage
8 SATA3 (6Gbps) port(s)
Ethernet
Dual LAN with Broadcom BCM5720 1GBase-T
Audio
N/A
USB
6 USB 3.0 port(s) (4 USB; 2 via header)
Internal USB Port
N/A
Serial
1 COM Port(s) (1 header)
PS/2 Port
N/A
TPM
1 TPM Header
*規格如有變更,恕不另行通知。
