Workstation
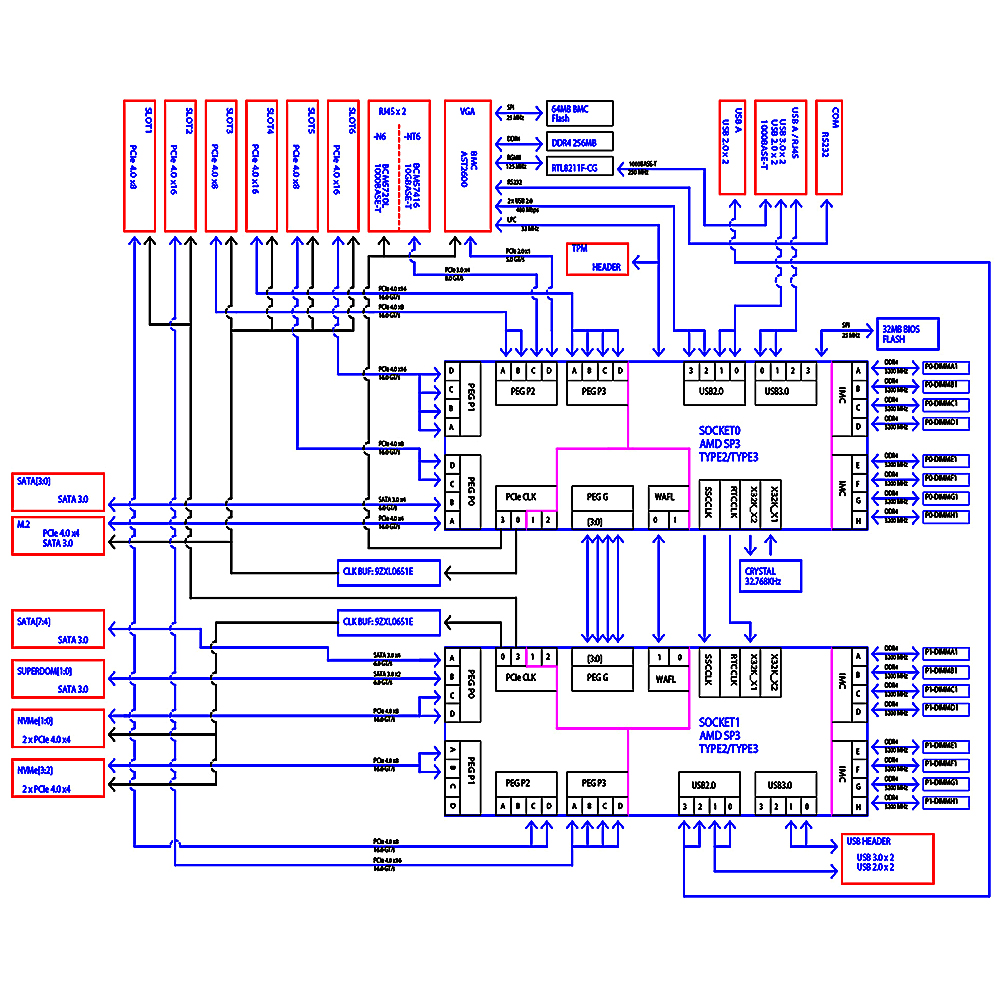
- Dual AMD EPYC™ 7003/7002 Series Processors
(The latest AMD EPYC™ 7003 Series Processor with AMD 3D V-Cache™ Technology requires BIOS version 2.3 or newer) - 4TB Registered ECC DDR4 3200MHz SDRAM in 16 DIMMs
- Expansion slots:
3 PCI-E 4.0 x16 slots, 3 PCI-E 4.0 x8 slots
M.2 Interface: 1 PCI-E 4.0 x4
M.2 Form Factor: 2280, 22110
M.2 Key: M-key - 10 SATA3, 2 SATADOM, 4 NVMe
- Dual Gigabit LAN ports, 1 dedicated IPMI LAN Port
- ASPEED AST2600 BMC graphics
- 2 USB 2.0 ports (rear),
4 USB 3.0 ports (2 rear, 2 headers) - 8x 4-pin PWM Fans & Speed control
Specification
System
CPU
Dual AMD EPYC™ 7003/7002 Series Processors
(The latest AMD EPYC™ 7003 Series Processor with AMD 3D V-Cache™ Technology requires BIOS version 2.3 or newer)
Socket SP3
Chipset
System on Chip
System Memory
16 DIMM slots
Supports up to 4TB Registered ECC DDR4 3200MHz SDRAM
8-channel memory bus
For Dual CPUs: Recommended that memory be populated equally in adjacent memory banks
BIOS
AMI 256Mb SPI Flash EEPROM
Graphic
ASPEED AST2600 BMC
Expansion Slot
3 PCI-E 4.0 x16 slots
3 PCI-E 4.0 x8 slots
–
Interface: 1 PCI-E 4.0 x4
Form Factor: 2280, 22110
Key: M-key
Form Factor
EATX
Dimension
12″ x 13.05″ (30.5cm x 33.1cm)
I/O Interface
Display
1 VGA port
Storage
10 SATA3 (6 Gbps) ports
Ethernet
Dual LAN via Broadcom BCM5720L Gigabit Ethernet Controller
Audio
N/A
USB
2 USB 2.0 ports (rear)
4 USB 3.0 ports (2 rear, 2 headers)
Internal USB Port
N/A
Serial
1 COM port (rear)
PS/2 Port
N/A
TPM
TPM 2.0 header
*規格如有變更,恕不另行通知。
