WI-X13DAI-T

Workstation
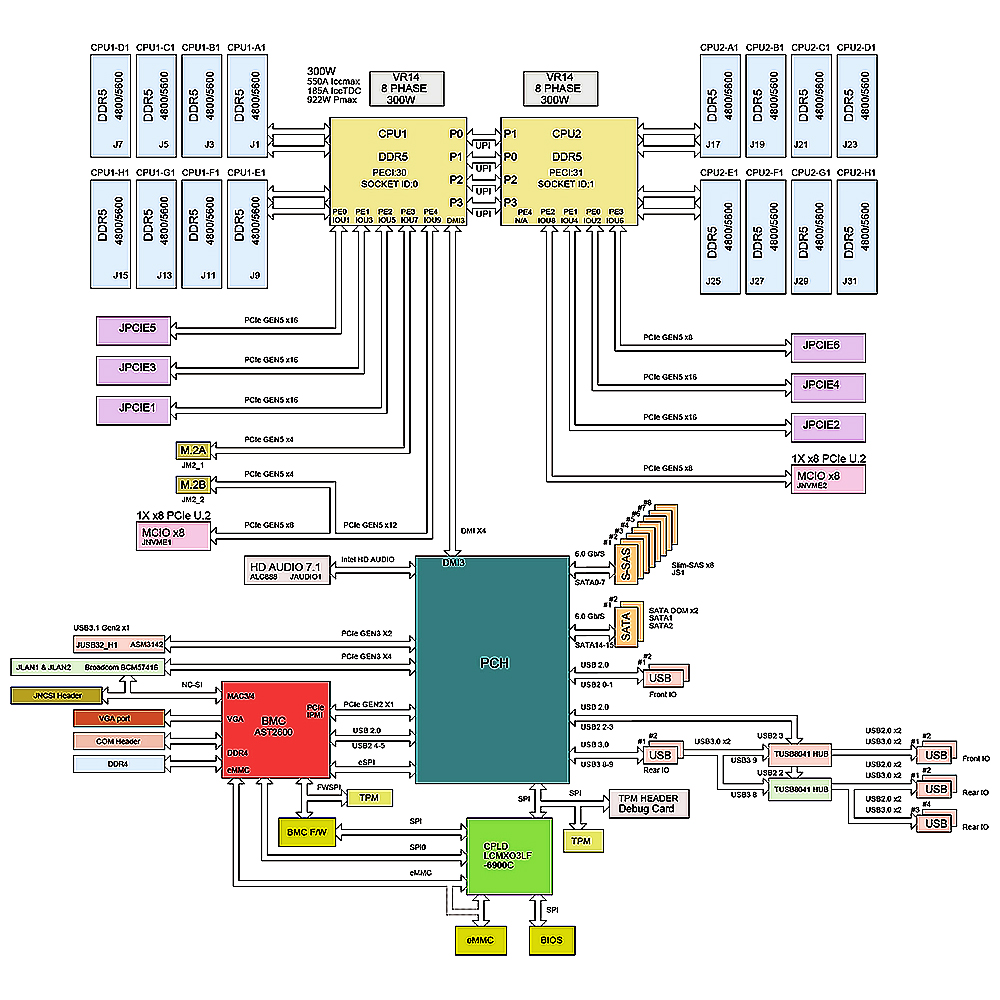
  • Support CXL
  • 5th/4th Gen Intel® Xeon® Scalable processors, Dual Socket LGA-4677 (Socket E) , CPU TDP supports up to 350W TDP
  • Intel® C741 Chipset
  • Up to 4TB 3DS ECC RDIMM, DDR5-5600MT/s(1DPC) in 16 DIMM slots
  • Broadcom BCM57416 Dual ports 10G LAN
  • 2 SATA DOM ports
  • 2 M.2
  • 4 NVMe ports PCIe 5.0 x4 via 2 MCIO connectors
  • 5 PCIe 5.0 x16
  • 1 PCIe 5.0 x8
  • 8 SATA 3.0 ports(C741, RAID 0, 1, 5, 10)
  • HD Audio 7.1 channel
  • 1 USB 3.1 Gen 2, 6 USB 3.0
Specification
System
CPU

5th Gen Intel® Xeon® / 4th Gen Intel® Xeon® Scalable processors

Dual Socket LGA-4677 (Socket E) supported, CPU TDP supports Up to 350W TDP

Chipset
Intel® C741
System Memory

16 DIMM slots

Up to 4TB 3DS ECC RDIMM, DDR5-5600MHz

BIOS
AMI 32MB AMI UEFI
Graphic
1 ASPEED AST2600 BMC port(s)
Expansion Slot

1 PCIe 5.0 x8,

5 PCIe 5.0 x16

M.2 Interface: 2 PCIe 5.0 x4

Form Factor: 2280/22110

Key: M-Key

Form Factor
EATX
Dimension
12.1″ x 13.1″ (30.734cm x 33.274cm)
I/O Interface
Display
1 VGA D-Sub Connector port(s)
Storage

8 SATA3 ports; RAID 0, 1, 5, 10

2 SATA3 ports; RAID 0,1

Ethernet
Dual LAN with Broadcom BCM57416 10GBase-T
Audio
HD Audio 7.1 channel
USB

6 USB 3 port(s) (2 headers; 4 rear type A)

2 USB 2 port(s) (2 headers)

1 USB 3.1 Gen2 port(s) (1 headers)

Internal USB Port
1 USB 3.1 Gen 2 Connector
Serial
1 COM Port(s) (1 header)
PS/2 Port
N/A
TPM
1 TPM Header
*規格如有變更,恕不另行通知。